A Primo processzorának sebessége gyorsítható, egy olyan egyszerű módosítással, amit már a tervezők is kitaláltak, és sokan akik belew mertek nyúlni a gépbe, valószínüleg meg is csinálták. Ez a módosítás tulajdonképpen nem is nevezhető nagy fejlesztésnek, hiszen a gyári leí rások, így a HW kézikönyv is hivatkozik rá.

Aról van szó, hogy az alap kvarcoszcillátor jele egy osztóra kerül, mely kimenetei különféle frekvenciájú órajelekkel látják el a gépek különféle áramköreit. Az osztó (egy 7492 10-es osztó, és egy bináris osztó egymás után), mely egyik kimenete 2.5 MHz, e z a gép alap órajele. Az osztó egy másik kimentén 3.75 MHz- es jel van, amit a videó jel generáló áramkörben használnak fel. Az átkötések forrpontjai már gyárilag úgy vannak kialakítva az alaplapon, hogy a két jel között váltani lehessen, ezért kerültek egymás mellé.

Mivel az alkalmazott NDK Z80 (U880D) gyárilag csak 2.5 MHz-re volt specifikálva, ezért a gyártás során fixen átforrasztották. Ekkoriban nem voltak divatban a dugaszolható jumperek (ezek is pénzbe kerültek volna), egyszerűbb volt fixen beforrasztani.
Egyébként az NDK gyártó specifikációi ellenére, az U880D stabilan megy 4 MHz-en is. (ez a Z80A specifikációja, a Z80B 6 MHz-et tud) Miután van 8 MHz-es Z80-as processzor is, valamint a Primo oszcillátora 15 MHz-es, az osztó első kimenetéről (2-es osztás után) 7.5 MHz-et lehet levenni. Processzorcsere után a gépet nyugodtan használhatjuk 7,5 MHz-en is. Persze nem árt gyorsabb memória se m, mert ekkor itt lesz a szűk keresztmetszet....ez viszont már jelentősebb módosítás, processzorcsere, kiforrasztás, foglalat, stb. A HW kézikönyvben benne van a kapcsolási rajz, ez ad támpontot az átalakításhoz.

Ha a fix átkötést eltávolítjuk, akkor berakhatunk egy rendes 3-as tüske jumpert, de ekkor csak a dobozfedél levétele után lehet az órajelet átváltani. Sokkal célszerűbb egy kétállású kapcsolóra kivezetni 3 vezetékkel, és a kapcsolót a doboz oldalán kivezetni. Természetesen átkapcsolni csak kikapcsolt állapotban lehet, mert a gép elszáll... Miután a szoftver időzítések a 3.75 MHz-en megváltoznak, ezért a magnóra rögzítés, és hasonló dolgok is változnak. Ezért született néhány program órajelfüggű változata, pl turbocopy 2.5 és turbocopy 3.75.

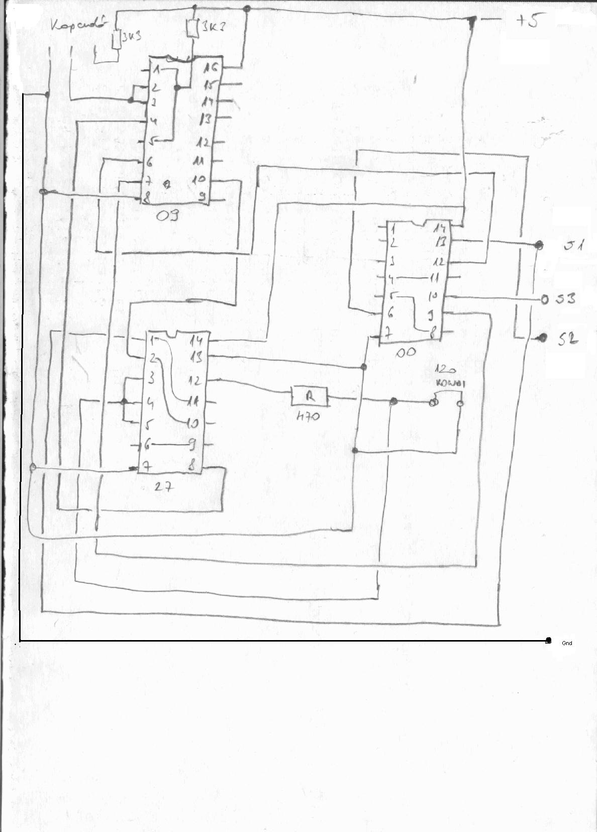
Az alábbi kapcsolási rajz egy olyan megoldást mutat be, ami lehetővé teszi a menetközbeni átkapcsolást 2,5 és 3,75 Mhz között. Várhatóan később szöveges információt is tudunk mellé rakni.

 

(Miszlai Péter, Lobo, Szalai István)